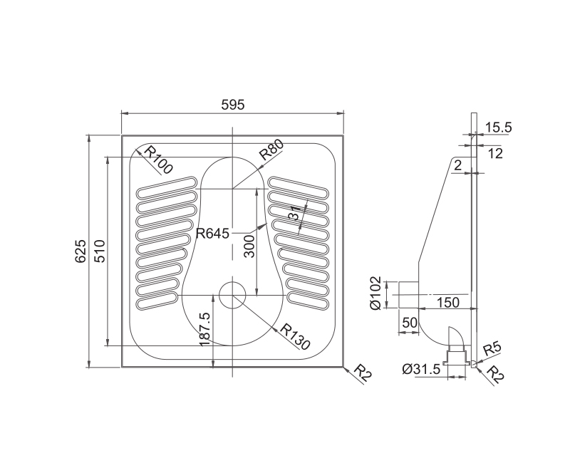
S-9112

Compact stainless steel series
Encounter product problems ?

Contact us for advice or more details.
Our product specialists are here to help.

(86) 0750 273 0533
Related products
S-9112B-SP
Copyright © 2019 UNITEX all rights reserved.Design:Linkor